








DOLD Time Delay Extension Module LG7928.97/61 Release Delayed Relay AC/DC24V 3-30S New
Overview
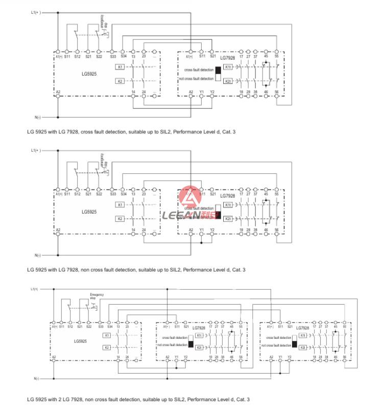
The LG 7928 can be used for delayed stopp with status request of the safety relays (Stop category 1 acc. to DIN EN 60204-1) or controlled stopping of plant components.
Dold LG7927/ LG7928 Extension Module
Additional contacts for emergency-stop modules and safety gate monitors.
• Safe timing circuits
• 4 forcibly guided output contacts at only 22.5mm width
• According to:- Performance Level (PL) d and category 3 to EN ISO 13849-1: 2008
- SIL Claimed Level (SIL CL) 2 to IEC/EN 62061--Safety Integrity Level (SIL) 2 to IEC/EN 61508 and IEC/EN 61511 when connected to a suitable safety module
• Adjustable time delay
• On–Delayed / Released Delayed
• Long life stability due to digital time base
• Adjustable with or without cross fault detection
• Output: 3 N.O. contacts + 1 N.C. contact, 1 positive guided feedback contact
• LED indicator for channel 1, 2 and operation voltage
| Brand | DOLD |
| Type |
Time Delay Extension Module |
| Model |
LG7928.97/61 |
|
Technical Information |
Contacts:3 NO contacts, 2 NC contacts Nominal voltage:AC/DC 24 V Time range:1-10 s Time delay max.:600 s Terminal type:fixed terminal blocks with screw terminals Connection:Screw terminals, Pluggable screw terminals, Pluggable cage clamp terminals Approvals and Markings:UL-listed C/US, TÜV, CCC Variant:Time delay, adjustable |
| Net Weight | 0.05KG |
| Warranty | One Year |
| DOLD Products |
BD 5935.48/61 LG5925.48/61 LG5925.04/61 LG5924.04/61 LG5924.48PC/61 LG5924.48/61 LG5925.48/60 LG5925.48/61 LG5928.41/61 LG5929.60/100/61 LG5929.54/61 LG5929.60PC/61 LG5944.02/61 LG5944.02PC/61 LG5929.60/100/61 BG5925.03 24VDC BG5924.04 24VDC BG5924.04/100 24VDC BG5925.02/910 BG5924.4 230VAC BG5924.48 24VADC BH7925.96/002 LG2925.48/61 BG5925.2.2 BG5929.54 If you have any need on DOLD products,pls feel free to contact us. |
LG7928 Application Examples